中文
/
ENGLISH
网站首页
关于我们
产品展示
新闻资讯
服务中心
联系我们
当前所在页面:
网站首页
>>
产品展示
>>
UPI(台湾力智)产品
UP9612
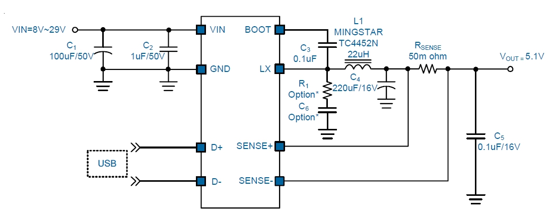
UP9612是一个电源管理IC,符合Apple2.7/2.7,BC1.2,Samsung等充电协议。输入8V-29V,输出5V3A。封装样式PSOP-8L、VDFN6*5-8L 。适用于旅行充电器,车载充电器。
咨询热线:
+86(0)755-83290749
立即咨询
Feature
8V to 29V Wide Input Voltage Range.
Up to 3A Output Current.
CV/CC Mode Control (Constant Voltage and Constant Current).
Automatic Selection of D+/D- Mode for an Attached Device
Apple Mode: D+/D- Divider Mode 2.7V and 2.7V.
Short Mode:BC 1.2DCP Mode.
Samsung Mode: D+/D- Divider Mode 1.2V and 1.2V.
Output Constant Voltage: 5.1V.
Output Voltage Accuracy: ±1.5%.
Fixed 135kHz Frequency Operation.
Up to 95% Conversion Efficiency.
Internal Soft Start: 10ms.
Fixed Cable Compensation Voltage.
Adjustable External CC (Constant Output Current) Limit Setting: Default = 2.6A.
CC (Constant Output Current) Limit Accurarcy:±3%.
Short Circuit Protection.
VIN/VOUT Over Voltage Protection and Over Temperature Protections.
PSOP-8L and VDFN6x5-8L Packages.
RoHS Compliant and Halogen Free.
Application
PDA Like Device Car Chargers.
Portable Charging Devices
联系我们
0755-83290749
深圳市福田区国际文化大厦1120-1121
总机:+86(0)755-83290749
传真:+86(0)755-83663054
了解更多
网站导航
关于我们
公司简介
产品展示
UPI(台湾力智)产品
UBIQ(台湾力祥)
Panasonic(松下)被动元件
CellWise(赛微微电子)
新闻资讯
行业动态
服务中心
咨询服务
常见问题
在线咨询
QQ咨询
Copyright © 2017 www.lean-chip.com, All right reserved. 深圳市领翌科技有限公司
粤ICP备15053832号-2