中文
/
ENGLISH
网站首页
关于我们
产品展示
新闻资讯
服务中心
联系我们
当前所在页面:
网站首页
>>
产品展示
>>
UPI(台湾力智)产品
UP9616
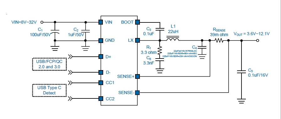
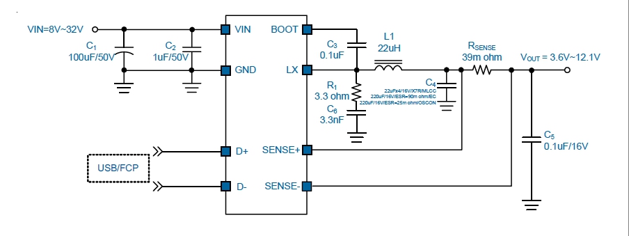
UP9616是一个电源管理IC,符合QC3.0,FCP,QC2.0,Apple,BC1.2,Samsung充电协议。输入8V-32V,输出3.6-12V/3.3A 。封装样式VDFN6*5-8L、VDFN5*6-10L 。适用于旅行充电器,车载充电器。
咨询热线:
+86(0)755-83290749
立即咨询
Feature
Wide Input Voltage Range: 4.5V to 32V
Output Voltage Range: 0.613V to 5.5V
Wide Output Load Range: 0A to 7A
Built-In 1% 0.613V Reference
Built-In LDO Linear Voltage Regulator
RCOT
TM
(Robust Constant On-Time) Control Architecture
4 Selectable Frequency Setting
4700ppm/°C R
DS(ON)
Current Sensing
0.6ms, 1.2ms, 2.4ms and 4.8ms Selectable Internal Voltage Soft-Start
Pre-charged Start-up Capability
Built-in Output Discharge
Built-in OVP/UVP/OCP/OTP
WQFN4x4-32L Package
RoHS Compliant and Halogen Free
Application
Portable Charging Devices
Point-of-Load Systems
Notebook Computers
I/O Supplies
System Power Supplies
联系我们
0755-83290749
深圳市福田区国际文化大厦1120-1121
总机:+86(0)755-83290749
传真:+86(0)755-83663054
了解更多
网站导航
关于我们
公司简介
产品展示
UPI(台湾力智)产品
UBIQ(台湾力祥)
Panasonic(松下)被动元件
CellWise(赛微微电子)
新闻资讯
行业动态
服务中心
咨询服务
常见问题
在线咨询
QQ咨询
Copyright © 2017 www.lean-chip.com, All right reserved. 深圳市领翌科技有限公司
粤ICP备15053832号-2